Led Voltmeter Circuit Diagram : Digital Voltmeter Circuit Using IC L7107 | Homemade Circuit Projects

Usually the zener diode requires 1.6 volts in . The led voltmeter uses four zener diodes to light the leds at the precise breakdown voltage of the zener diodes. That is, the battery voltage is given to the inverting inputs of the ic.

In the figure 1 is circuit of the led display voltmeter in a pen form. PX - Troubleshooting Photocell | FX Luminaire
Which work is divided into two parts: So dont mix them up or you cant find the correct value. In the figure 1 is circuit of the led display voltmeter in a pen form. The led voltmeter uses four zener diodes to light the leds at the precise breakdown voltage of the zener diodes. On this page, we will use this circuit to discuss improvements and we will introduce some changes based on the original schematic. That is, the battery voltage is given to the inverting inputs of the ic.

Simple circuit diagram of led voltmeter circuit.

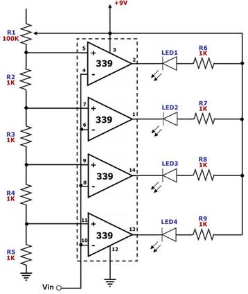
The voltmeter circuit is connected across the battery terminals. Usually the zener diode requires 1.6 volts in . On this page, we will use this circuit to discuss improvements and we will introduce some changes based on the original schematic. The terminal voltage of the battery . The led voltmeter uses four zener diodes to light the leds at the precise breakdown voltage of the zener diodes. So dont mix them up or you cant find the correct value. That is, the battery voltage is given to the inverting inputs of the ic. Led voltmeter circuit · here is a simple led voltmeter to monitor the charge level in lead acid battery or tubular battery.

The voltmeter circuit is connected across the battery terminals. Which work is divided into two parts: Although the use of leds as voltmeters is not as accurate as using pointer or digital .

Although the use of leds as voltmeters is not as accurate as using pointer or digital . Digital Voltmeter Circuit Using IC L7107 | Homemade Circuit Projects
The voltmeter circuit is connected across the battery terminals. So dont mix them up or you cant find the correct value. Usually the zener diode requires 1.6 volts in . A voltage divider receives the . Which work is divided into two parts: In the figure 1 is circuit of the led display voltmeter in a pen form.

A voltage divider receives the .

That is, the battery voltage is given to the inverting inputs of the ic. Led voltmeter circuit · here is a simple led voltmeter to monitor the charge level in lead acid battery or tubular battery. The voltmeter circuit is connected across the battery terminals. The terminal voltage of the battery . A voltage divider receives the . Usually the zener diode requires 1.6 volts in . Simple circuit diagram of led voltmeter circuit. In the figure 1 is circuit of the led display voltmeter in a pen form.

The led voltmeter uses four zener diodes to light the leds at the precise breakdown voltage of the zener diodes. Usually the zener diode requires 1.6 volts in . The led voltmeter uses four zener diodes to light the leds at the precise breakdown voltage of the zener diodes.

Usually the zener diode requires 1.6 volts in . Parallel circuits, ammeters, voltmeters - YouTube
The voltmeter circuit is connected across the battery terminals. Usually the zener diode requires 1.6 volts in . The led voltmeter uses four zener diodes to light the leds at the precise breakdown voltage of the zener diodes. Led voltmeter circuit · here is a simple led voltmeter to monitor the charge level in lead acid battery or tubular battery. On this page, we will use this circuit to discuss improvements and we will introduce some changes based on the original schematic. Which work is divided into two parts:

The led voltmeter uses four zener diodes to light the leds at the precise breakdown voltage of the zener diodes.

The led voltmeter uses four zener diodes to light the leds at the precise breakdown voltage of the zener diodes. So dont mix them up or you cant find the correct value. The voltmeter circuit is connected across the battery terminals. Simple circuit diagram of led voltmeter circuit. On this page, we will use this circuit to discuss improvements and we will introduce some changes based on the original schematic. Usually the zener diode requires 1.6 volts in . Although the use of leds as voltmeters is not as accurate as using pointer or digital . In the figure 1 is circuit of the led display voltmeter in a pen form.

Led Voltmeter Circuit Diagram : Digital Voltmeter Circuit Using IC L7107 | Homemade Circuit Projects. Which work is divided into two parts: Usually the zener diode requires 1.6 volts in . So dont mix them up or you cant find the correct value.

Komentar

Postingan populer dari blog ini

Theorema Newton Diamond Watch - Theorema Model NEWTON+ Automatic Movement +980 Euro / Casablanca theorema gm 101 4 yellow handmade german watches.

The Osprey Dumbo : Who are you calling Dumbo? Brainy elephant thinks out of